Thông tin sản phẩm
60,000 lần đóng mở, theo tiêu chuẩn DIN EN 15338 Grade 3
Chức năng đóng mở đồng bộ và tích hợp giảm chấn
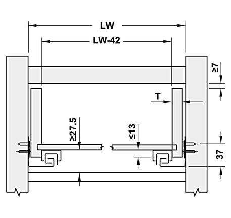
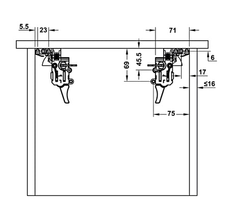
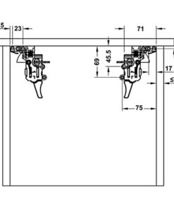
Điều chỉnh 3 chiều (lên/xuống 1.5mm, trái/phải 0.5mm, trước/sau ±1.5mm)
Chất liệu: Thép
Hoàn thiện: mạ kẽm
Dễ dàng tháo lắp thông qua bas ray trượt
Trọn bộ gồm: 1 cặp ray trượt và 1 cặp bas
Đóng gói: 1 bộ
-10%
Ray âm Hafele Matrix UM, mở toàn phần, nhấn mở, bao gồm bas lắp đặt
Giá gốc là: 330.000 ₫.297.000 ₫Giá hiện tại là: 297.000 ₫.
SKU: 433.32.171
Loại: Ray âm Matrix UM
Vendor: Hafele

Kệ treo đựng dao Hafele










