Thông tin chi tiết:
- Loại: không có chức năng giữ cửa
- Hoàn thiện:màu bạc
- Chống cháy
Thông số kỹ thuật:
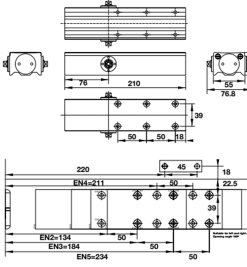
- Lực đẩy EN2-5
- Chiều rộng cửa:850-1250mm
- Trọng lượng cửa tối đa:100kg
- Góc mở tối đa ≤180°
Giá gốc là: 1.509.200 ₫.1.358.280 ₫Giá hiện tại là: 1.358.280 ₫.
Mã sản phẩm:931.77.149 Đơn vị tính:Cái Liên hệ để được giá tốt
Đánh giá
Chưa có đánh giá nào.