ĐẶC TÍNH
+ Ruột khóa một nửa Hafele màu đen thuộc dòng: Black Range
+ Hệ chìa chủ đặt theo yêu cầu của khách hàng
+ Chất liệu: Đồng mạ nikel
+ Hệ xếp bi 5 pin
+ Trong ruột khóa Hafele một nửa màu đen các cặp pin sắp xếp khác nhau tạo ra nhiều chìa khác nhau
+ Số lượng chìa phụ thuộc vào số lượng cặp pin và các xếp pin
+ Ruột khóa theo tiêu chuẩn EN1303 và DIN 18 252: 09/1999
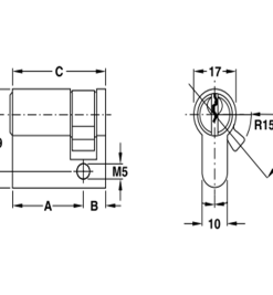
+ Chiều dài A: 30mm
+ Chiều dài B: 10mm
+ Chiều dài C: 40mm
+ Trộn bộ gồm: 1 ruột khóa một nửa + 3 chìa thép mạ nickel + Vít cố định ruột khóa






Đánh giá
Chưa có đánh giá nào.