ĐẶC TÍNH
+ Ruột khóa Hafele 916.63.904 thuộc dòng: Black Range
+ Loại khóa: 2 đầu chìa
+ Hệ chìa chủ theo yêu cầu của khách hàng
+ Hệ thống chìa 5 pin
+ Số lượng chìa phụ thuộc vào số lượng cặp pin và các xếp pin
+ Ruột khóa theo tiêu chuẩn EN1303 và DIN 18 252: 09/1999
+ Hai đầu chìa
+ Ruột khóa Hafele 916.63.904 phù hợp với cửa chính
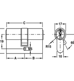
THÔNG TIN KỸ THUẬT
+ Chất liệu: Đồng thau
+ Màu sắc: Graphite black
+ Chiều dài A: 35.5 mm
+ Chiều dài B: 35.5 mm
+ Chiều dài C: 71 mm
+ Trộn bộ gồm: 1 ruột khóa một nửa + Vít cố định ruột khóa + 3 chìa thép mạ nikel

Bếp điện 3 vùng nấu Hafele HC-R603D





Đánh giá
Chưa có đánh giá nào.