Thông tin chi tiết:
- Chất liệu: Tay và chén bản lề bằng thép
- Bề mặt hoàn thiện: Mạ nickel
- Lắp chén bản lề: Lắp đặt bằng vít
- Lắp đặt: Lắp vào cửa và tủ với bằng cơ cấu nhấn SM
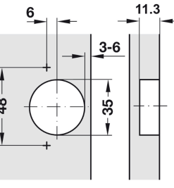
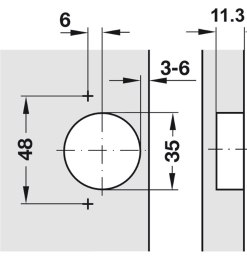
- Chiều sâu lỗ khoan: Chén bản lề 12 mm
- Điều chỉnh: Điều chỉnh mặt bên ±3 mm, điều chỉnh chiều
cao +2 mm (qua đế bản lề), điều chỉnh chiều sâu ±2 mm - Mô tả:bản lề trùm ngoài
- Góc mở:110°
- Độ dày mặt bên:12-19mm
- Quy cách khoan:48/6














Đánh giá
Chưa có đánh giá nào.